-
г.Самара, пр.Ленина 12







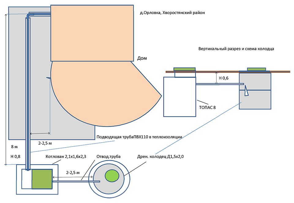
До начала работ делается разметка котлованов под станцию, дренаж и траншей под трубы. Котлованы в подавляющем большинстве копаются вручную. На дно кладется слой речного песка 5-10 см с трамбовкой. Необходимая точность не более 0,5 см/м.
Далее производится опускание станции в котлован, выравнивание зазоров и контроль параллельности фасаду. Производится поэтапная заливка воды, засыпка песком с проливкой и трамбовкой.
После фиксации производится разметка и вырезка отверстия под раструб Д110. Труба должна подойти к приемной камере с уклоном 2 см/м в требуемом диапазоне (согласно монтажной схеме).
Врезка может быть прямой или боковой. Боковую врезку проводим внимательно, обходя ребра и распорки. Патрубок обваривается полипропиленовым прутком (500-600°C). Сборка труб выполняется через компенсационный патрубок или муфту.


Для принудительных станций делается выход Д25. Я использую сборку: труба Д25, теплоизоляция, наружная труба Д110 (в качестве гильзы). Концы жестко крепятся на станции и на дренаже.


Далее: подключение кабеля, окончательная засыпка, установка компрессоров и аварийной сигнализации. Станция доливается до штатного уровня, производится пробный запуск с контролем фаз и поплавков.
В ходе монтажа прокладываются трубы и электрокабель в гофротрубе или ПНД.