-
г.Самара, пр.Ленина 14

Да, приходится в практике сталкиваться и с такими случаями. Как в поговорке про скупого.
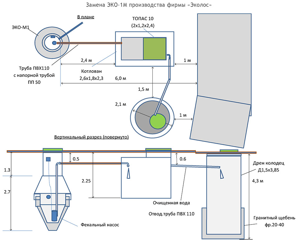
Так в 2013 году пришлось переделывать две станции ЭКО-1М производства фирмы «Эколос». Причем обе стояли в Студеном Овраге. Их работа никак не удовлетворяла владельцев. Я сделал из них мини КНС. Для этого пришлось удалить все внутренности, залить конусное дно цементной стяжкой, установить фекальный насос, сделать трубную обвязку с установленной рядом станцией ТОПАС-5 и ТОПАС-10, дополнить конус аварийной сигнализацией. Демонтировать эти станции проблематично, т.к. они установлены глубоко: на 4-4,5 м. Кроме того подводящая труба также расположена ниже 2 м. Оба дома жилые, прерывать существующий быт на несколько дней крайне нежелательно. Поэтому было выбрано такое решение. Оба объекта работают хорошо. Нареканий у владельцев нет. Ниже представлены схемы обновленных канализаций и некоторые фото.






Недавно пришлось демонтировать септик неизвестного происхождения, установленный на одном из участков на Сорокином Хуторе. Он никак не мог справиться со своими функциями: стоял глубоко на участке и на территории с высокими весенними грунтовыми водами. Вместо него была установлена станция ТОПАС-5ЛонгПр. и новый дренажный колодец. Привожу фото с этого объекта.


